Single Stage Single Impeller Sidechannel Blowers FPZ SCL e07MS, IE3 - 3 Phase Motor, 2,2-2,6 kW
On order
SE07MS50+0011
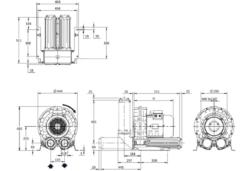
Parametry techniczne
Moc [kW] | 2,2 |
Zasilanie [V/Hz] | 50 |
Prędkość obr. [obr./min] | 2900 |
Wydajność [m3/h] | 431 |
Ssanie [mbar] | 100 |
Sprężanie [mbar] | 100 |
Poziom hałasu [dB(A)] | 71 |
Waga [kg] | 57 |
Klasa silnika | IE3 |
Zabezpieczenie [IP] | 55 |
Izolacja | F |
Wersje produktu
